Zum Hauptinhalt springen Zur Suche springen Zur Hauptnavigation springen

Menü

Beschreibung

Produktinformationen "S&P Radialventilator CMPT/4-30 PTC mit Kunststoff-Gehäuse"

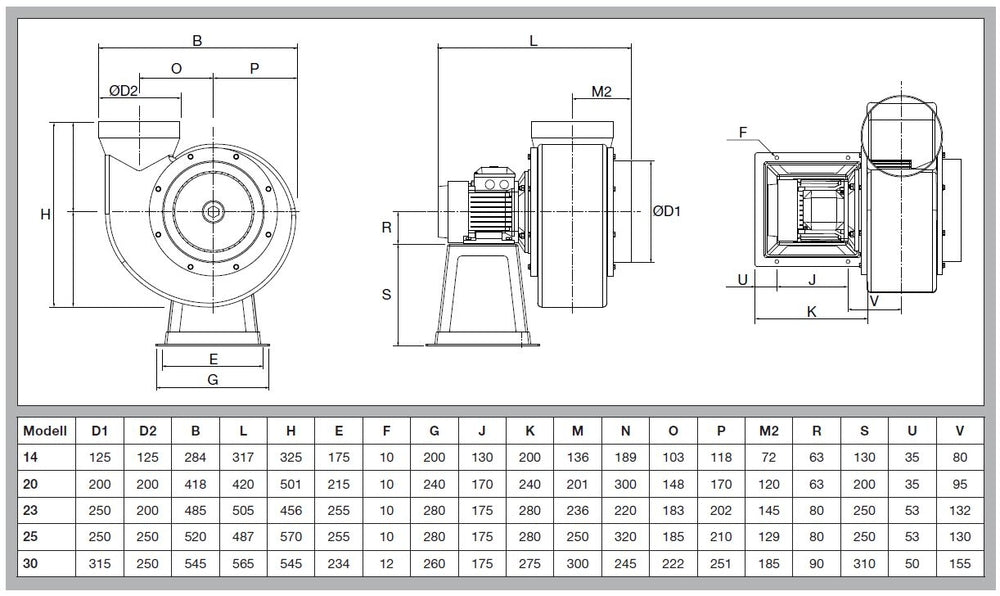
Kunststoff-Radialventilator CMPT/4-3 Kunststoff-Radialventilator mit außerhalb des Luftstroms liegendem Motor. Geeignet für die Absaugung von aggressiven Gasen und Dämpfen. -Spiralgehäuse aus Polypropylen (PP) -Gehäuse in 45Grad Schritten verstellbar LG - LG315 möglich (Lieferstandard LG) -Komplett mit Montagekonsole -Radiallaufrad mit vorwärts gekrümmten Schaufeln aus Polypropylen (PP) -Statisch und dynamisch ausgewuchtet nach ISO 194 -Normmotor mit Kaltleiter -Drehstrom 3ph., 23/4V, 5 Hz -Stufenlos drehzahlsteuerbar mit Fre- quenzumrichter FU (2-5 Hz) -Schutzart IP 55 -Wärmeklasse F -Motorbemessung Dauerbetrieb S1 -Geschlossene Kugellager (wartungsfrei) -Allpolig wirksamer Motorschutzschalter MSK Technische Daten: Volumenstrom: 4.24 m3/h frei saugend/blasend Fördermitteltemperatur: -1Grad/+6 GradC Nennspannung: 3ph. 23/4 V/5Hz Drehzahl: 1.45 1/min Max. Leistungsaufnahme: 11 W Motorstrom: 2,4 A Schallleistungspegel LWA: 84 dB(A) Gewicht: 29, kg Fabrikat: S&P Deutschland GmbH Typ: CMPT/4-3 PTC Artikel-Nr.: 51547

Bewertungen 0

0 von 0 Bewertungen

Durchschnittliche Bewertung von 0 von 5 Sternen

Bewerten Sie dieses Produkt!

Teilen Sie Ihre Erfahrungen mit anderen Kunden.