Zum Hauptinhalt springen Zur Suche springen Zur Hauptnavigation springen

Menü

Beschreibung

Produktinformationen "Nicotra Gebhardt Entrauchungs-Dachventilator RDM 57-5663-HD-19"

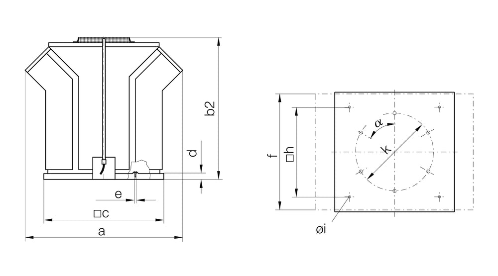
Nicotra Gebhardt-Entrauchungsventilatoren RDM 56/57 mit drallfrei gerichtetem, vertikalem Luftaustritt, geeignet für die Entrauchung im Brandfall bis max. +4 °C - 12 Minuten (RDM 56) bzw. bis max. +6 °C - 12 Minuten (RDM 57), geprüft nach DIN EN 1211-3, Schneelastklasse SL 1 zugeordnet und CE zertifiziert. Zugelassen für die Aufstellung über beheizten und unbeheizten Räumen. Geschlossenes, formschönes Gehäuse aus korrosionsbeständigem Aluminium. Grundrahmen aus verzinktem Stahlblech für Sockelmontage, mit breitem Überstand zur Sockelisolierung. Eintrittsseitig mit Anschlussmöglichkeit für Flansche nach DIN 241552. Ausblasöffnung durch selbsttätig öffnende und schließende Verschlussklappen bei Stillstand wettersicher abgedeckt. Gehäuseteile und Laufrad mit Motor für Inspektions- und Wartungsarbeiten leicht ausschwenkbar (Baugrößen 2528 bis 719). Hochleistungs-Radiallaufrad mit rückwärtsgekrümmten Schaufeln aus Stahlblech gefertigt, geschweißt und beschichtet, statisch und dynamisch nach DIN 194 ausgewuchtet, aufgebaut auf die Welle eines ­Normmotors Bauform B5, Schutzart IP 55. Motor vom Förderstrom völlig getrennt, mit Außenluftkühlung, Motorraum mit wärmeisolierender Auskleidung. Anschlusskabel auf die Frontseite herausgeführt und durch ein Metallrohr geschützt. Montageplatte zur Befestigung eines Revisionsschalters oder Klemmenkasten am Grundrahmen lose beigelegt. Daten in der Genauigkeitsklasse 2 nach DIN 24166.

Bewertungen 0

0 von 0 Bewertungen

Durchschnittliche Bewertung von 0 von 5 Sternen

Bewerten Sie dieses Produkt!

Teilen Sie Ihre Erfahrungen mit anderen Kunden.