Zum Hauptinhalt springen Zur Suche springen Zur Hauptnavigation springen

Menü

Beschreibung

Produktinformationen "Maico Rohrventilator ERM 18 Ex e"

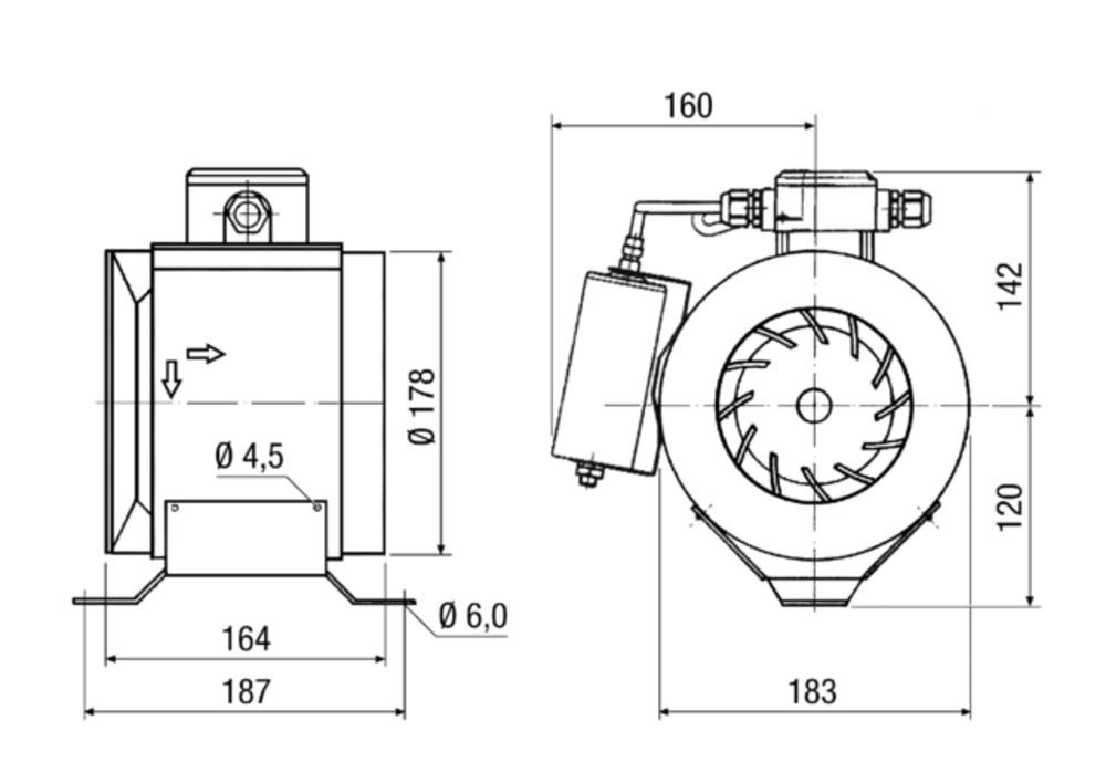
Besondere Eigenschaften: Halbradial-Rohrventilator, explosionsgeschützt, Medium Gas. Explosionsschutz und Zulassungen nach ATEX und IECEx. Ex II 2G Ex eb IIB+H2 T4 Gb / Ex II 2G Ex h IIB+H2 T4 Gb. Für Einsatztemperaturen von -2°C <= Ta <= +5°C. Geeignet für die Temperaturklasse T1 bis T4 (135°C). Für alle Gase und Dämpfe der Ex-Gruppe IIA und IIB und zusätzlich für Wasserstoff qualifiziert. MAICO Ex-Ventilatoren erfüllen die Sicherheitsanforderungen der Europäischen Richtlinie RL 214/34/EU für Geräte und Schutzsysteme in explosionsgefährdeten Bereichen. Für Zone 1 und 2. Zündschutzarten: e - erhöhte Sicherheit und c - konstruktive Sicherheit. Schutzart IP64. Gehäuse aus hochwertigem, leitfähigem Kunststoff, antistatisch. Kompakte Bauform für platzbeengte Einbauverhältnisse. Zur Montage in ein Rohrsystem. Einfacher Einbau da die Anströmrichtung gleich Ausströmrichtung ist. Einbau in jeder Lage möglich. Laufrad: Halbradiallaufrad aus leitfähigem Kunststoff, strömungstechnisch günstig. Wuchtgüte der Motor-Laufradkombination G 6,3 nach Kategorie BV-3 gemäß ISO 14694. Förderrichtung: Förder- und Drehrichtung sind auf dem Ventilatorgehäuse durch Pfeile gekennzeichnet. Motor: Robuster Motor mit Kugellager, wartungsfrei. Kondensatormotor mit Betriebskondensator anschlussfertig am Ventilator verbaut. Betriebsart S1 (Dauerbetrieb). Montagehinweise: Anschlussstutzen saug- und druckseitig, für direkten Einbau in Lüftungsleitungen. Reduzierstücke für den Anschluss an verschiedene Rohrdurchmesser (Ansaug- oder Ausblasstutzen), siehe Zubehör. Zur Vermeidung von Schwingungsübertragungen auf das Rohrsystem elastische Manschetten ELM-Ex verwenden. Bei ERM 22 Ex..: 2 Reduzierstücke auf DN 2 im Lieferumfang enthalten. Elektrischer Anschluss: Klemmenkasten am Ventilatorgehäuse montiert, Ex-geschützt, mit Kabelverschraubung. Sicherheitshinweise: Keine Drehzahlregelung zulässig. Ventilator nur mit der auf dem Typenschild angegebenen Bemessungsspannung betreiben. Ventilator bei freier Ansaugung oder Ausblasung nur in Betrieb nehmen, wenn der Berührungsschutz des Flügelrades gemäß DIN EN ISO 13857 gewährleistet ist. Dazu Schutzgitter SGM-Ex anbringen.Artikel: ERM 18 Ex e, Fördervolumen: 31 m3/h, Drehzahl: 278 1/min, Laufradtyp: halbradial, Drehzahlsteuerbar: nein, Spannungsart: Wechselstrom, Bemessungsspannung: 23 V, Netzfrequenz: 5 Hz, Nennleistung: 5 W, cosphi: ,9, INenn: ,25 A, Imax bei UNenn: ,25 A, Schutzart: IP 64, Wärmeklasse: B, Netzzuleitung: 3 / 1,5 mm2, Einbaulage: senkrecht / waagerecht, Material Gehäuse: Kunststoff, Farbe: signalschwarz, ähnlich RAL 94, Gewicht: 3,6 kg, Nennweite: 18 mm, Breite: 262 mm, Höhe: 252 mm, Tiefe: 187 mm, A: 164 mm, B: 187 mm, EX-Bezeichnung nach ATEX-Richtlinie: Ex II 2 G, EX-Bezeichnung nach Norm: Ex eb IIB + H2 T4 Gb / Ex h IIB + H2 T4 Gb, Ta-Umgebungstemperatur: -2 °C <= Ta <= +5 °C, IA/IN: 2,5, Zeit tE: 5 sek, Betriebsart: S1, EG-Baumusterprüfbescheinigung: TÜV-A 18ATEX52, IECEx EPS 19.25X, Temperaturklasse: T4, Kondensator Kapazität / Spannung: 3µF/28V, Wärmeklasse von Isolierstoffen Th. Cl.: 13 (B)

Bewertungen 0

0 von 0 Bewertungen

Durchschnittliche Bewertung von 0 von 5 Sternen

Bewerten Sie dieses Produkt!

Teilen Sie Ihre Erfahrungen mit anderen Kunden.