Zum Hauptinhalt springen Zur Suche springen Zur Hauptnavigation springen

Menü

Beschreibung

Produktinformationen "Maico Axial-Wandventilator DZQ 45/4 B"

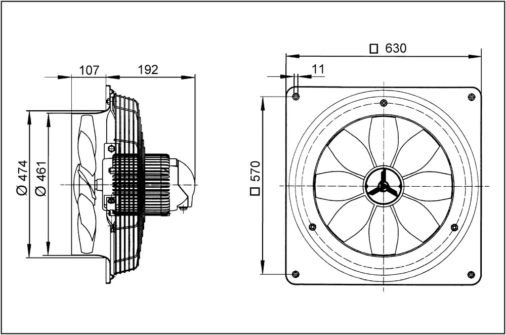
Schutzgitter auf der Saugseite, gelb chromatiert, Berührungsschutz gemäß DIN EN ISO 13857. 8-blättrige Flügelräder aus glasfaserverstärktem Polyamid. Dynamisch gewuchtet in 2 Ebenen, gemäß Gütestufe 6.3, DIN ISO 194, Teil 1. Einbau in jeder Lage möglich. Förderrichtung: Nachfolgende Abbildung zeigt die Förderrichtung: Förderrichtung A: Über den Motor saugend, Standard. Förderrichtung B: Über den Motor blasend, auf Anfrage. Drehrichtung, Reversierbetrieb: Der Volumenstrom verringert sich um ca. 35 % bei anormaler Förderrichtung. Motor: Asynchronmotor. Drehzahlsteuerbar. Ausnahme: Typ EZQ 45/6 B, EZS 45/6 B, DZQ 4/2 B und DZS 4/2 B. Reversierbar. Ausnahme: Ventilatoren mit Spaltpolmotor (...-E). Nicht zur Förderung wasserdampfgesättigter Luft geeignet. Drehstrommotor: Typenreihen DZQ und DZS. Bemessungsspannung 4 V, 5 Hz. Schutzart IP 55. Ausnahme DZQ/DZS... D IP 54. Thermischer Überlastungsschutz serienmäßig. Ausnahme: Bei DZQ/DZS 25/4 D und polumschaltbaren Axial-Wandventilatoren auf Anfrage erhältlich. Die Anschlüsse sind potenzialfrei auf Klemmen geführt und müssen an einen Motorvollschutzschalter z.B. MV 25 oder den Steuerstromkreis eines Schützes angeschlossen werden. Polumschaltbare Ventilatoren: Überlastungsschutz mit bauseitig zu beschaffendem Motorvollschutzschalter gewährleisten. Polumschaltbare Motoren mit den Drehzahlverhältnissen 8/4 oder 4/2 sind im Dahlanderprinzip geschaltet. Elektrischer Anschluss: An Klemmleiste im Abschlussdeckel des Motors. Sicherheitshinweise: Der Ventilator darf nur in Betrieb genommen werden, wenn der Berührungsschutz des Laufrades gemäß DIN EN ISO 13857 gewährleistet ist.Artikel: DZQ 45/4 B, Ausführung: Quadratische Wandplatte, Fördervolumen: 658 m3/h, FördervolumenNenn: 448 m3/h / im opt. Wirkungsgrad, Druck pfs, Nenn: 125 Pa - im opt. Wirkungsgrad, Drehzahl nNenn: 139 1/min - im opt. Wirkungsgrad, Drehzahl: 1427 1/min, Laufradtyp: axial, Drehzahlsteuerbar: ja, Reversierbarkeit: ja, Spannungsart: Drehstrom, Bemessungsspannung: 4 V, Netzfrequenz: 5 Hz, Nennleistung: 44 W / im opt. Wirkungsgrad, INenn: ,8 A / im opt. Wirkungsgrad, IMax: 1,1 A, Schutzart: IP 55, Wärmeklasse: B, Netzzuleitung: 7 / 1,5 mm2, Einbauort: Wand / Decke, Einbauart: Aufputz, Einbaulage: waagerecht / senkrecht, Material: Stahlblech, verzinkt, Gewicht: 15,7 kg, Nennweite: 45 mm, Breite: 63 mm, Höhe: 63 mm, Tiefe: 299 mm, A: 474 mm, B: 461 mm, Fördermitteltemperatur bei Nennstrom: 6 °C, Fördermitteltemperatur bei IMax: -2 °C bis 6 °C, Gesamteffizienz e: 35,4 %, Messkategorie: A, Effizienzkategorie: statisch, Effizienzgrad N: 43,9, VSD erforderlich: nein, Herstellungsjahr: siehe Typenschild, Herstellername / Amtliche Registriernummer / Niederlassungsort des Herstellers: Maico Elektroapparate-Fabrik GmbH / Registergericht Freiburg, HRB 61233 / Villingen-Schwenningen, PBEP / FördervolumenBEP / Pfs, BEP: ,44 kW / 448 m3/h / 125 Pa, nBEP: 139 1/min, spezifisches Verhältnis: ca. 1, Informationen zur Zerlegung und Entsorgung: siehe Montageanleitung, Informationen zu Einbau, Betrieb und Instandhaltung: siehe Montageanleitung, Verwendete Gegenstände bei der Effizienz-Messung, die nicht durch die Messkategorie beschrieben sind: -, SchallleistungspegelLWA7: 81 dB(A), Verschlussklappe: ohne

Bewertungen 0

0 von 0 Bewertungen

Durchschnittliche Bewertung von 0 von 5 Sternen

Bewerten Sie dieses Produkt!

Teilen Sie Ihre Erfahrungen mit anderen Kunden.