Zum Hauptinhalt springen Zur Suche springen Zur Hauptnavigation springen

Menü

Beschreibung

Produktinformationen "Maico Axial-Rohrventilator EZR 30/4 B"

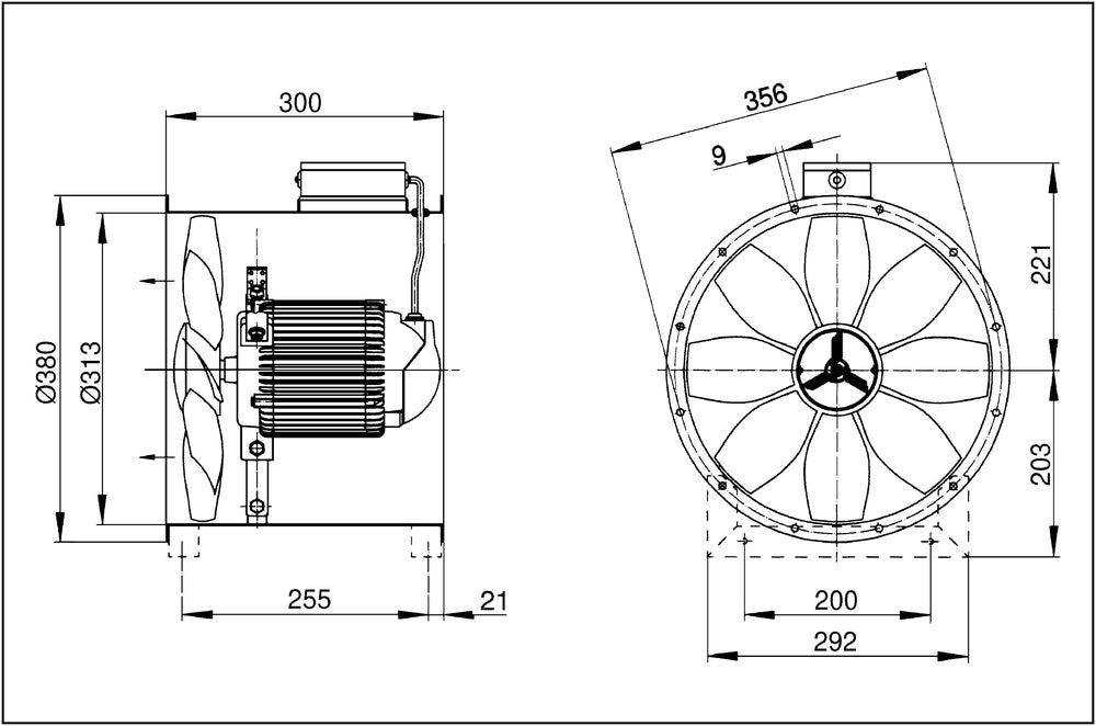
Rohrhülse aus verzinktem Stahlblech, beidseitig mit Flansch. 8-blättrige Flügelräder aus glasfaserverstärktem Polyamid. Dynamisch gewuchtet in 2 Ebenen, gemäß Gütestufe 6.3, DIN ISO 194, Teil 1. Flanschbohrungen gemäß DIN EN 1222:1998. DZR 56/6 B und DZR 56/4 B: Flanschbohrungen gemäß DIN EN 1222:1998. Zur Vermeidung von Schwingungsübertragungen auf das Rohrsystem: Elastische Verbindungsstutzen, Füße und Schwingungsdämpfer verwenden. Hohe Schutzart IP 55. Ausnahme EZR/DZR... D IP 54. Einbau in jeder Lage möglich. Motor: Asynchronmotor, drehzahlsteuerbar. Ausnahme: Typ DZR 4/2 B. Nicht zur Förderung wasserdampfgesättigter Luft geeignet. Förderrichtung ist auf dem Gerät mit Drehrichtungs- und Förderrichtungspfeil gekennzeichnet. Reversierbetrieb: Der Volumenstrom verringert sich um ca. 35 % bei anomaler Förderrichtung. Wechselstrommotor: Typenreihe EZR. Bemessungsspannung 23 V, 5 Hz. Kondensatormotor mit Betriebskondensator anschlussfertig im Klemmenkasten. Thermischer Überlastungsschutz serienmäßig. Die Anschlüsse sind potenzialfrei auf Klemmen geführt und müssen an einen Motorvollschutzschalter z.B. MVE 1 (nicht geeignet für EZR 25/4 D, EZR 3/6 B und EZR 35/6 B) oder den Steuerstromkreis eines Schützes angeschlossen werden. Elektrischer Anschluss: Außenliegender Klemmenkasten mit Kabeltüllen. Sicherheitshinweise: Der Ventilator darf nur in Betrieb genommen werden, wenn der Berührungsschutz des Flügelrades gemäß DIN EN ISO 13857 gewährleistet ist.Artikel: EZR 3/4 B, Fördervolumen: 18 m3/h, Drehzahl: 1425 1/min, Laufradtyp: axial, Drehzahlsteuerbar: ja, Reversierbarkeit: ja, Spannungsart: Wechselstrom, Bemessungsspannung: 23 V, Netzfrequenz: 5 Hz, Nennleistung: 9 W, INenn: ,41 A, IMax: ,51 A, Schutzart: IP 55, Wärmeklasse: B, Polumschaltbar: nein, Einbaulage: waagerecht / senkrecht, Material: Stahlblech, verzinkt, Gewicht: 8,5 kg, Nennweite: 3 mm, Breite: 38 mm, Höhe: 424 mm, Tiefe: 3 mm, A: 313 mm, B: 3 mm, Fördermitteltemperatur bei Nennstrom: 6 °C, Fördermitteltemperatur bei IMax: -2 °C bis 6 °C, Gleichstrommotor: false

Bewertungen 0

0 von 0 Bewertungen

Durchschnittliche Bewertung von 0 von 5 Sternen

Bewerten Sie dieses Produkt!

Teilen Sie Ihre Erfahrungen mit anderen Kunden.