Zum Hauptinhalt springen Zur Suche springen Zur Hauptnavigation springen

Menü

Beschreibung

Produktinformationen "MEZ Aufhängeelement ELL-8163, Breite 30mm, Länge 58mm"

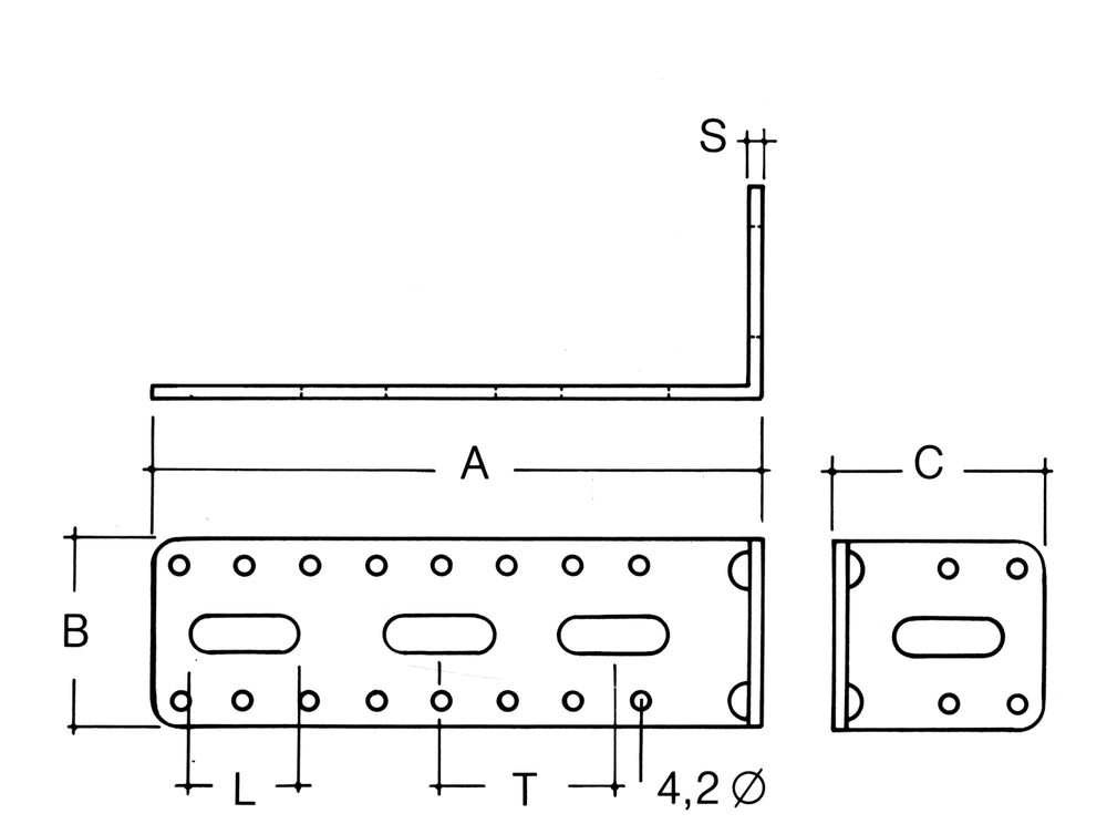
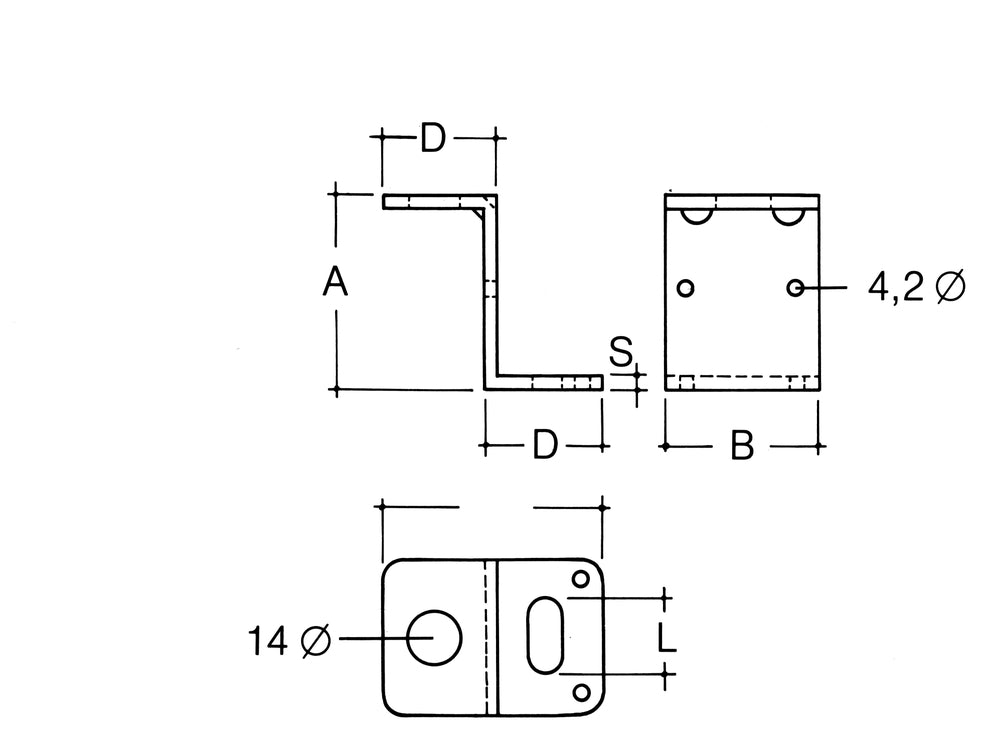
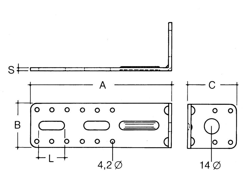
MEZ-ZETT Typ 3 ohne Dämmteil Montageelement zur Befestigung von rechteckigen Luftleitsystemen, optimale Ausrichtung und Höhenjustierung über Gewindestangen, Stahl ver­zinkt. MEZ-ELL Typ 3 ohne Dämmteil Montageelement zur Befestigung von rechteckigen Luftleitsystemen unmittelbar unter der Decke, optimale Ausrichtung und Höhenjustierung über Gewindestangen, Stahl verzinkt. MEZ-ELL 815, 816, 817, 818 u. 819 Für einfache zweckmäßige Kanalaufhängung direkt an Decken, Wänden, Montageschienen und Trägerkonstruktionen. Werkst.: Stahl, verzinkt. MEZ-SWINGELL 816S, 817S u. 818S Für geräusch- und schwingungshemmende Kanalaufhängung, direkt an Decken und Wänden oder mit Gewindestangen M8 + M1 montiert. MEZ-SWING Schwingungsdämpfer mit eingepresster U-Scheibe für die Auflage der Einstellmutter oder Montageschraube. Werkst.: Stahl verzinkt. MEZ-TRAVAU 821S u. 822S, TRASAT 823S u. 824S Universal-Aufhängeelement mit Schwingungsdämpfer MEZ-TRAVAU 821S und 822S für Trapezblechdecken-Systeme. MEZ-TRASAT 823S und 824S für Blechrohrleitungen. Sie können durch die ideale Sollbiegekante leicht an Trapezblechdecken-Systeme und Rohrleitungen angepasst werden. Für die Montage mit Gewindestange M8 und M1. Mit U-Scheibe für die geräusch- und schwingungshemmende Aufhängung. SWING aus PVC Härte 65 Shore. Werkst.: Stahl, verzinkt. Auf Anfrage auch in Edelstahl rostfrei lieferbar.

Bewertungen 0

0 von 0 Bewertungen

Durchschnittliche Bewertung von 0 von 5 Sternen

Bewerten Sie dieses Produkt!

Teilen Sie Ihre Erfahrungen mit anderen Kunden.