Zum Hauptinhalt springen Zur Suche springen Zur Hauptnavigation springen

Menü

Beschreibung

Produktinformationen "Helios RVM 560, Rohr-Verschlussklappe motorbetätigt"

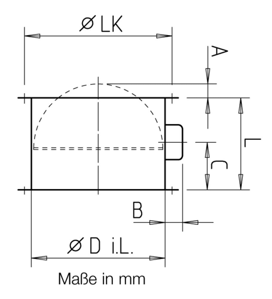
Zur Verhinderung von Kaltlufteinfall bei stehendem Ventilator. Mit angebautem Federrückstell-Motor (außerhalb Luftstrom). Elektrische Ansteuerung parallel mit Ventilator über ,9 m langes Kabel. Zylindrisches Stahlblechgehäuse mit beidseitigen Flanschen. Direkt auf die Ventilatorgrundplatte bzw. den Flansch anschraubbar. Lochbild nach DIN 24155. Nicht für den Einsatz im direkten Ex-Bereich.

Bewertungen 0

0 von 0 Bewertungen

Durchschnittliche Bewertung von 0 von 5 Sternen

Bewerten Sie dieses Produkt!

Teilen Sie Ihre Erfahrungen mit anderen Kunden.